This is a July 2017 update to the blog entry about the FriendlyArm NanoPi M3 board. Smaller than a Raspberry Pi but with a boat-load of facilities, the board includes:
- A3 Octa-Core processor (handy for multimedia) S5P6818
- 1GB Ram
- 3.5mm audio jack
- 1GBPS Ethernet port
- WIFI
- Bluetooth
- MicroUSB for power
- 2 USB host ports and an additional two on the board connectors
- LCD interface
- Camera interface
- I2s
- HDMI
- Debug UART
- TFT socket
- Built-in WIFI and antennae
You get to choose between Ubuntu, Armbian and an old (5.1) Android from Friendlyarm (why are people still using this – we’re up to version 7 now). Also though I’m pleased to see that Debian automatically resizes the SD on install – the Android installation does not – you have to do that “on your PC” and once again they make the assumption that we all have Linux PCs – which could not be further from the truth.
Android: I grabbed the Android file from their site, put it into an SD and banged that into a USB port adaptor on my Raspberry Pi to follow the (simple) procedure to resize Android. Before long I had a full Android 5.1 running complete with Bluetooth (to clarify – a Bluetooth keyboard worked perfectly, a Bluetooth mouse appeared to connect but no pointer movement). From what I’ve seen that’s more than we can currently expect from a Raspberry Pi because all the videos I’ve seen which say you CAN put Android on the Raspberry Pi, end quietly, usually along the lines of “videos are jittery right now”. That could all change in the future of course.
THEN I read about enabling developer mode and using a tool on a PC called ADB which allows for changing overscan and screen resolution WITHOUT rooting Android – I ran that and adjusted the screen size to get rid of the overscan – no problem. The result? With Kodi, a very nice setup for a media centre indeed– quite fast compared to other boards I’ve tried – and no jitter when watching video. The only issue being I’d started off with an 8GB SD card for testing – daft idea. So – I started again this time with a 64GB card. By the time I’d finished I had around 56GB left – that should keep me going for a while.
I tried running with the fan off but the heatsink gets just a tad too warm for comfort (as against “cool” with the fan on. There is a tiny amount of noise with the fan on so I’d recommend putting the unit on soft pads in a box somewhere. (Update, one of the two units I had, came with a 0.21 amp fan, the other with a much quieter 0.15amp fan – so I replaced the more powerful one (only a quid from China) and it now runs quietly.
I’ve been running this now checking out radio stations, watching TV stations and local videos – all without any issues. But check out my blog entry on the T3 for a surprise! https://techfindstoday.store/the-mighty-t3/%3C/a%3E%3C/p%3E
All in all, for media, up to now one of the better boards I’ve come across recently.
Debian: I then grabbed their Debian offering and installed that. After some updating (as it was ancient) I set up the WIFI. This was not trivial I have to say but the end result seems to be rock-solid WIFI – I’ve had 2 of these boards now running on and off for ages and they are just fine. I’ve had trouble with the WIFI with my ALEXA unit saying it is having trouble connecting – so I’ve had to yank the access point out of the wall a few times… throughout all of this – both units remain connected no problem at all. More than can be said for a lot of WIFI setups!! Using Debian these units run luke-warm with the fans on.
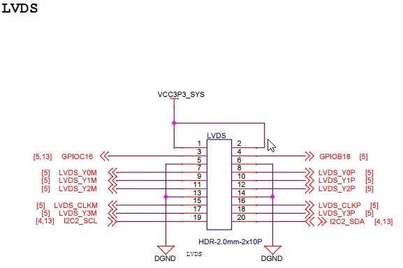
Recent updates have meant it is now possible to use the GPIO from the likes of Node-Red quite easily using these boards but I noted that there was a connector called the LVDS connector and no-where on the website does it tell you about this connector. I contacted FriendlyArm and they sent me schematics etc. In case you are messing around with GPIO and you want to make use of every last GPIO pin, you might find this interesting.

hey guys… so can some post a link to a img that will boot on m3… i have tried few and only one loads…
I need some help ive got the m3 to boot up fine and 2 seconds later my screen goes blank like nothing is hooked up to it any suggestions. Its hooked up to a Samsung with hdmi
Peter, have you been able to power the M3 from the GPIO connector on pins 2 and 4?
I posted about the issue I have on their forum but not got anything worthwhile that fixes the issue.
I need to run Android on the M3 and the USB port needs to be used for debugging the app so I need to power it via the GPIO connector.
When I do, it powers up for a few seconds and then shutsdown. It should work as VDD_5V is powered via a mosfet from VBUS_5V when use USB power. I’ve monitored the supply and it never goes about around 1000mA. The bench supply is capable of 3A.
I need to try and see if it will boot with Debian but if you have a few minutes to spare, I’d be interested to know if you can power from the GPIO pins with Android?
Hi Dave
I don’t have the M3 handy – it is still packed!! However, the WIKI http://wiki.friendlyarm.com/wiki/index.php/NanoPi_M3 gives away nothing to suggest that there would be an issue supplying 5v to the normal pins on that connector.
But then looking at the schematic – http://wiki.friendlyarm.com/wiki/images/4/4c/NanoPi-M2A-M3-1604-Schematic.pdf you are right – the 5v at the USB connector is NOT the same as VDD 5V.
I’m glad you brought this to everyone’s attention as I might’ve considered feeding power to the main connector also!!!
I’ll point Friendlyarm to this to see if we can get a response…
and everybody continue to say they are BETTER THAN raspberry PI, FULL COMPATIBLE with raspberry PI, and so on and so on…
I got it working. Someone pointed out to check the voltage drop at the board so I hooked up a scope to the UART connector and sure enough it was dropping to around 4V a few seconds after the boot up.
I swapped out the power cable for something a little heavier with 16/02 cables and now it boots fine with the power fed into the GPIO.
Why I never thought to test this before was bad on my part but the cable I used has been used to power a number of projects without issues in the past. Even a Raspberry Pi but the M3 is drawing more current during the boot so that would explain the drop.
Thought I would share in case others run into this same issue.
Well done Dave, useful to know…
I also can’t power up my M3, red led turns on then the blue led too, after that both turns off and nothing.
I have an PS3 power supply with 5V 3A output on the pin 2 and Ground Pin6.
Was this the case for you too?
Measure the voltage at the board on the USB connector with your power supply connected. If this is not 5V then the board won’t boot and do what you are seeing. You need a decent cable to power the board as voltage drop is high due to the current drawn.
Then I think I have a faulty board… Because I measure 0V on the USB at rest state and even if I push the power button. Great, it is a brand new board.
If I measure the power supply voltage it only drops from 5.03V to 4.96V when I push the pwr button then goes back to 5.
Have you tried Dietpi on it?
( no GPU features )
Can you resize the micro sd card with a computer with windows and a linux terminal, or do you have to use a linux os computer? I’m new to linux, so I don’t have a clue what I’m doing on it
Hi Peter. Can you explain how you configured the Wifi? I just received a NanoPi M3 and tried both the recently updated (in January) images of both Debian and Ubuntu.
Debian doesn’t like to stay connected to the Wifi. I tried installing network manager but it seems like it broke the Wifi.
Same goes for the Ubuntu Core image. The network manager doesn’t pull up any of the SSIDs.
I’m a noob, and I was trying to follow this tutorial for the Ubuntu image but got stuck on the Wifi config. Any help you can offer would be much appreciated.
If I recall correctly I went back to the FriendlyArm image and the WIFI on that remained solid. There is something of a denial in some quarters about WIFI reliability – for me, WIFI that cannot reconnect in all circumstances (power failure of the unit or of the router etc) is useless – which is why my Orange Pi Zero is currently sitting with an ethernet connector in it – the M3s seem ok.
That is a nice heat sink, where did you get it – or did it come with the board?
Came with the board. Most of their stuff they do cheap heatsinks and 3d-printed cases for.
What player do you use on armbian for mp4 files ?
On raspbian omxplayer is the best choice. On armbian I tried vlc and mpc, but both have problems running high quality movies.
Not sure if you’re asking me that one – I don’t play video on Armbian – I use that for home control. If I want audio/video I use Android.
Armbian supports 40 boards, most of them with 2 kernels (some with 3) and whether video plays smooth or not depends on a) kernel used and b) OS image used. We only recently packaged everything in a way that all the necessary stuff on Allwinner A10/A20/A64/H3 devices to use HW accelerated video decoding works flawlessly with every image. Just a month ago you always had to choose our so called ‘desktop images’ otherwise you can’t benefit from smooth video.
Also we only support mpv/mplayer/smplayer/smtube for HW accelerated video decoding (there’s no omxplayer on anything else than Raspberries since omxplayer interacts with VideoCore IV which is not present on any other SBC around) and this also only on boards based on A10, A20, H3 or A64 (Allwinner). On those devices using ‘legacy kernel’ video works flawlessly (since the SoC’s video engine does the work) on every other device or using ‘vanilla kernel’ HW acceleration doesn’t work. So it’s not ‘Armbian’ but the specific combination of board and OS image you chose.
NanoPi M3 is not supported at all and I fear that this won’t change anytime soon (the kernel FA uses is horribly outdated, same applies to u-boot and until FA or Samsung/Nexell provide more recent software offerings here it simply makes no sense to add Armbian support for this board). But of course we already tested M3 and share a lot of insights over there: https://forum.armbian.com/index.php/topic/1285-nanopi-m3-cheap-8-core-35/page-2#entry13803
Powering through Micro USB won’t work with this board as soon as you run anything heavy since Micro USB is crap here anyway (specified for 1.8A max which is not enough for M3 — fortunately all NanoPi can be powered more reliably through the 4-pin header)
Out of interest Tkaiser… I power both of my M3s on microUSB without any issue at all – including the fans. BUT what I call microUSB might be different to other people’s version. At the other end of my microUSB cables – when powering boards like this – is one of those nice Chinese 5-output USB supplies able to provide something like 5 amps in total. I’m quite pleased with them and was planning to use them as media centre boards with Android (their Debian implementation leaves something to be desired and as you say sadly you don’t support them) until I realised that the T4 boards using EMMC did a far better job.
Why do you want to use Android and Kodi. There are other complete custom images like xbian. I use it with pi2 hardware, it run quiete nice. 1080p on my Samsung TV is great.
Xbian appears to be beta. Don’t fancy that also need Android for Showbox, Iplayer and Netflix.
hey, how do I get chromium to run on m3… and I can’t get 1080p up and running as well on debian… ubuntu core wont even start… armbian for m3 is missing from the site… i need to run chromium in kiosk mode…
M3 does indeed appear to be missing from the Armbian site – perhaps ask on the Armbian forums why it is missing? I’ve never really concentrated on the visual environment for the M3 – I use it for control (I use the K2 for video – running FA’s Android). Failing success on the Armbian site you might want to ask in the FriendlyArm forums though I doubt they’ve focussed on the desktop side on Chromium as they have Android for desktop..
thank you for your response….
as i am new to audio video stuff on these boards like nano, orange… etc… i have question… i had a nano m1 and the video on the os ran just fine… smooth… but running on chrome it dragged ass… but doing htop… on os cpu stayed aobut 20%, on chrome about 40%… so there was still power to run the video… is there something i am missing there… on os direct i set mpv to use all 4 cores… but did not see that switch on chromium… can u suggest something?
-tnx, erik