I LOVE getting new stuff from Aqara. About the only thing I’ve had from them that was slightly disappointing was the G4 Video Doorbell. Don’t get me wrong, it works well, but I can’t get it integrated into Home Assistant. Other than that, it’s great – I’d check the battery back in the UK (I’m in Spain) but the power’s out over there right now so I can’t.
To the point – the Aqara T2 dual relay module is matter-compatible, is of course Zigbee and the relays handle max 10A at 240v (that’ll be 10A non-inductive) – but wait – a trip to the Aqara website reveals that the load is 10A MAX all in, NOT per-relay – that’s a bit odd. I’m looking at the spec right now on the box – see low voltage use and the sizes below… . Oh and you get a DIN rail bracket with it. Operating temperature sounds fine on the cold side but this summer, in the shade we had 42c+ the odd day in August so maybe indoor use then.
Before any readers new to this stuff grill me… why relays? Well, almost everyone uses relays rather than solid state control for reasons including cost, isolation and more. They just work. Shortly after the turn of the century I had it in my head that relays were a thing of the past – wrong…. there again my head of staff was convinced that QR codes were on the way out..
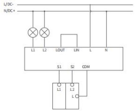
And the black thing? An antenna – as this is Zigbee I believe it’ll not only help with reception but also when the device is acting as a Zigbee “router” (I still prefer the term mesh-repeater but there you are). So the 3 connections at the bottom are common and one connection for each of 2 switch poles for manual override. To the left of those three terminals is a button that will be used for manual override and for re-pairing. Oh, and a little indicator to the right of the bottom terminals. At the top you have 6 connectors and some explanatory text. See image below… I wasn’t at first entirely sure what the supplied single piece of red wire was for – and finding out would mean reading the manual 🙂
Note the detachable DIN RAIL bracket at the back.
The antenna may look odd but (for example) I have several AliExpress smart earth leakage units without the antenna… they are in our standard metal breaker boxes at home and guess what, the WiFi signal is weak. The result? While they’ve never failed, occasionally I lose remote access to them. So potentially this antenna is useful when you think about it – especially if the unit is mounted in a box with that DIN rail mount.
Back to the button – glad I opened the manual. 5 seconds reset – predictable. Not so much “3 times of quick press verification of effective communication distance”. (Their bad English, not mine).
Only a brief mention of the “hub” so Aqara are assuming you know that you need an Aqara or similar “hub” to use this – except that you don’t – I’m going to be using Zigbee2MQTT on my Raspberry Pi as always.
Somewhat unfortunately, Aqara didn’t put any wiring diagram on the pamphlet (manual) that comes with the T2. I was reasonably sure I could wire the T2 to 240v mains without blowing myself up – but a nice set of diagrams for using the unit on DC low voltage would have been nice. Meanwhile a quick trip to the Aqara website confirms the device does have power monitoring.
I feel inclined to asking any interested reader to go look at the relevant Aqara web page as there’s a lot going on here. And about half way down that page under the pretty diagrams I note “To control the bidirectional motors, please turn on the INTERLOCK mode in settings” – WHAT MOTORS?
Ah: dry and wet contact modes – detailed on the site also. Looks like their web designers took the easy option with text in images as I have, as I could not paste the relevant text into here.
It seems that by disconnecting the red jumper wire (the one they provide but don’t explain in the manual) the T2 can be switched from wet contact to dry contact mode (but with the two relays sharing the “common” connection)… Don’t know what that means? Thankfully I do – read on:
Dry contact mode means the relay contacts are NOT internally connected to live but are in fact completely isolated.
All of this is great but I still want a diagram before actually wiring this thing up. And VOILA – a PDF on the Aqara site – the English text is ATROCIOUS (here’s an example: Use a screwdriver to loosen the terminal block screws of the device and connect the Connect the zero wire to the N hole, the fire wire to the L hole, use the connecting wire to connect the LIN hole and LOUT hole, connect the load (lamp) wire to L1 and L2) but good for a laugh – thankfully the actual diagrams are UK and most useful. Here’s the PDF.
Note that with the “fire wire” disconnected you have two normally-open relays which have no connection to mains power. It would have been even better if they’d actually brought out both n/o and n/c connections and separate common connectors but that would have increased box size. For that, thankfully, we still have the rather large Sonoff 4CH PRO – i.e. 4 completely separate channels, each with common, N/C and N/O contacts.
Heating boilers for example often require, for separate thermostats, a “dry relay” contact pair which may need to be normally-open or normally-closed (I’ve only ever come across the former). It seems you could use one of the T2 relays for such a system requiring a normally-open relay.
And now I’m confident enough to power up the T2 thanks to the PDF diagrams noted above…. This is the point where I discover that indeed The T2 is already Zigbee2MQTT-compatible – and hence suitable for Home Assistant…
Mains power onto L and N. Tiny blue light started flashing… AND – the light stopped before I got the chance to start pairing with Zigbee2MQTT…. OK – long-press (5 seconds+) of the button and I tried again… in the Zigbee2MQTT web panel, it seems an Aqara device LLKZMK12LM had been added successfully. Quick rename from the default horrible long ID to “aqara-d2-1”. That’s better. I also hit the “update Home Assistant” option in the same panel.
So what now? Under “exposes” in Zigbee2MQTT we have the following:
Ok, a short press of the real button turns on what seems like both relays – if one, then which one I’m not yet sure.
In Home Assistant, the device has magically appeared..
and in Home Assistant “entities”… a load of entities appear…
How did I ever manage before Home Assistant, that image on the left from HA make everything all SO obvious and clarifies that there are indeed 2 relays, separately controllable (L1 and L2).
With that INTERLOCK option turned on, turn one output on, the other goes off and vice-versa, with the interlock set to off, the outputs are independent.
It’s about 23c in my office at desk height where I’m checking out the T2 – and “aqara-d2-1 Temperature” says the device internally is 31c – seems reasonable.
I’m not AT ALL sure about that ACTION command…
I have a shed-load of mains plugs + leads in my cable cupboard for testing devices like this – slight pause to make a couple of small test lamps….
Right – got the lights – put in the link as shown in the diagram on that PDF I refer to above…
A bodge job to be sure but I took care to ensure all cables were properly soldered and all connections tight before actually connecting to the mains 240v supply here. T2 says 242v in Zigbee2MQTT – but I can’t find the voltage entity in Home Assistant (strange – I checked with Aqara and it seems that both the Zigbee code and Home Assistant integration are writtten by third parties – so they could not help me on that) – and with both of my small test lamps running, power according to T2 is 7.2w in Zigbee2MQTT and Home Assistant says 6.4w.
I’ll report that but it’s not that big of a deal – I’d be surprised if either of those is VERY accurate on such a small load.
Above, all checked and ready – below – wired up in “wet” configuration, i.e. 1 lamp lead will go to neutral, the other to a switched relay thanks to the red link. I wish manufacturers would fit more neutral connections but I guess size is a consideration. (I often gripe about ESP8266 and ESP32 boards not having enough GND connections).
In the picture above, the bottom two connections are incoming live and neutral – though in southern Spain at least, we regularly use reversible 2-pin mains plugs so “live” and “neutral” don’t really apply but I tend to stick with UK colour conventions mainly as I have lots of UK mains cable.
In HA I put the lights into PULSE mode and adjusted the pulse length to a couple of seconds – sure enough – turn either light on and it stays on for a couple of seconds then turns off – somewhat reminiscent of Tasmota’s PULSETIME though not quite as flexible as there are times when I’ve wanted to have a device start up OFF and then go ON after a short length of time. Of course there’s a way around that if using Home Assistant.
AH! Using the 3-pin connector on the left, shorting COM and S1 turns on one light momentarily, COM and S2 turns on the other light momentarily, meanwhile short-pressing the button turns on BOTH outputs, short-pressing it again turns them both off. Note that these control connectors are not isolated from the mains.
I KNEW if I held onto those neat, small mains LED lights, I’d find a use for them one day.
And after all that work, my new CHEAP (AliExpress) DIN-mounted triple mains indicator arrived today – much better – and I just happen to have a piece of DIN rail handy…











